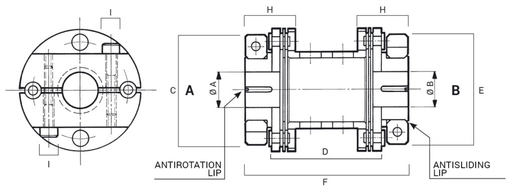
The fin-couplings DIN.AL., belonging to series “GEL- 500-S” are usually used for the connection of tachogenerators, encoders, contactors, motors, measuring instruments and for every application where a constant rotational movement in the four quadrants is required and where an absolute torque rigidity is required, even when the shafts coupling is not perfectly lined up.
The particular dynamic construction with clamps in light alloy, allow the blocking of the coupling without using screws or keys.
Patanted in Italy, Germany and France.
FIN-COUPLINGS
GEL 500-S












