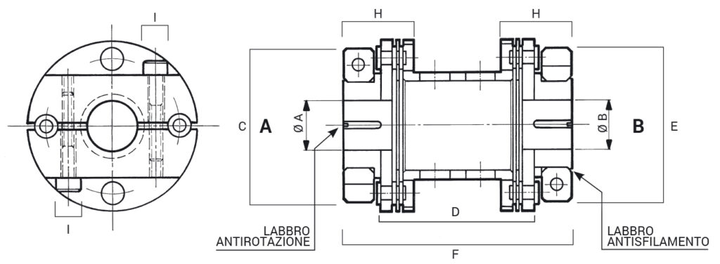
Il giunto GEL 500-S è normalmente impiegato per l’accoppiamento di dinamo tachimetriche, encoder, contattori, motori, strumenti di misura e tutte quelle applicazioni dove sia indispensabile trasmettere un moto rotatorio omocinetico nei quattro quadranti e con assoluta rigidità torsionale anche quando l’accoppiamento degli alberi non si presenta perfettamente allineato.
La particolare dinamica costruttiva con anelli di fissaggio autocentranti in lega leggera consente il bloccaggio del giunto senza l’utilizzo di grani o chiavette.
Modello registrato in Italia, Germania e Francia.
GIUNTI LAMELLARI
GEL 500-S












