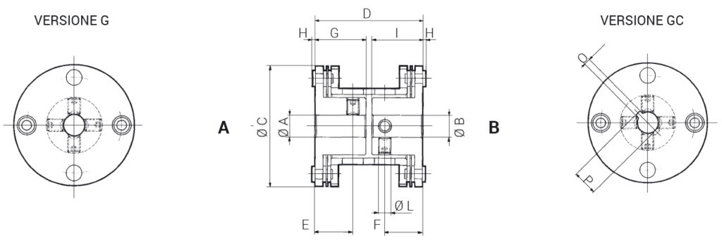
Il giunto GEL 4000-C è realizzato con i doppi mozzi, entrambi all’interno del corpo, che consente di avere un ingombro ridotto mantenendo le stesse capacità elastiche.
Gli ampi fori realizzati sul corpo centrale garantiscono la perfetta accessibilità ai grani di fissaggio.
È prevista la versione con grani e chiavette.
Vengono utilizzati per l’accoppiamento di dinamo tachimetriche, encoder, motori, strumenti di misura e tutte quelle applicazioni dove sia indispensabile trasmettere un moto rotatorio omocinetico nei quattro quadranti e con assoluta rigidità torsionale anche quando l’accoppiamento degli alberi non si presenta perfettamente allineato.
GIUNTI LAMELLARI
GEL 4000-C












