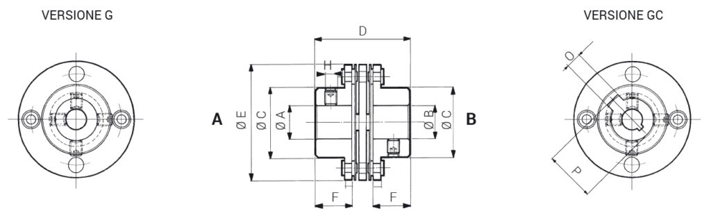
Il giunto GEL 1000 R-C è caratterizzato dall’accoppiamento dei due mozzi ridotti con un corpo centrale di particolari dimensioni che consente di avere le stesse caratteristiche di elasticità ma con ingombri particolarmente contenuti.
È prevista la versione con grani e chiavette.
Vengono utilizzati per l’accoppiamento di dinamo tachimetriche encoder, motori, strumenti di misura e tutte quelle applicazioni dove sia indispensabile trasmettere un moto rotatorio omocinetico nei quattro quadranti e con assoluta rigidità torsionale anche quando l’accoppiamento degli alberi non si presenta perfettamente allineato.
GIUNTI LAMELLARI
GEL 1000 R-C












