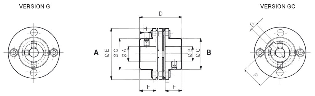
The DIN.AL. fin couplings of the GEL 1000 R series have the connection of the two hubs to a central body of a given size which ensures the same elasticity, yet very small overall dimensions.
A key and screw version is also available.
They are used to connect tachogenerators, encoders, motors, gauges and for any other application where constant rotational movement in the four quadrants is required and where absolute torque rigidity is needed even when shaft coupling is not perfectly lined up.
FIN-COUPLINGS
GEL 1000 R-C












