FIN-COUPLINGS

GEL 4000-C

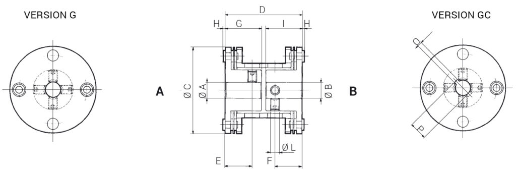
The double hubs inside the body ensure small overall dimensions and the same elasticity.
The large bores on the central body make it easy to reach the fastening screws.
A key and screw version is also available.
They are used to connect tachogenerators, encoders, motors, gauges and for any other application where constant rotational movement in the four quadrants is required and where absolute torque rigidity is needed even when shaft coupling is not perfectly lined up.

1hCSfnBygdUlRoCOeii618aKN rlMyGdT gdf 1752320681
1wWvEr3MH6jBordMmFjnXG1 OE3KDfmMX gdf 1757072107
Standard holes
A H7 B H7
C D E F G H I L
GEL 4000-C3 - 7 - 8 - 10 - 113833,6121217117M4
Ø H7 holes O p
6 2 7
7 2 8
8 3 9
10 3 11,4
11 4 12,8
Nominal torque
Maximum torque
Axial misalignment max
Radial misalignment max
Angular misalignment
Moment of inertia
Maximum speed
Dynamic torsional stiffness x10²
Weight
PDF
Symbol
Tᴺ
Tₛ
ΔWᵃ
ΔWᵣ
ΔWʷ
J
n max
Cʷ ᵈʸᵐ
m
Unit
Nm
Nm
mm.
mm.
rad
Kg m²x10⁻⁶
min⁻¹
Nm/rad
Kg
GEL 4000-C
1,53
2,20
0,8
0,7
0,02618
8,451
45.000
24,815
0,052
PDF

You may also be interested in:

NEED SOMETHING SPECIFIC?

Contact us

Why DIN.AL.?

Group
Tailor-made solutions
Transport icon
Fast delivery times
Quality award icon
Certified quality
This site is registered on wpml.org as a development site. Switch to a production site key to remove this banner.