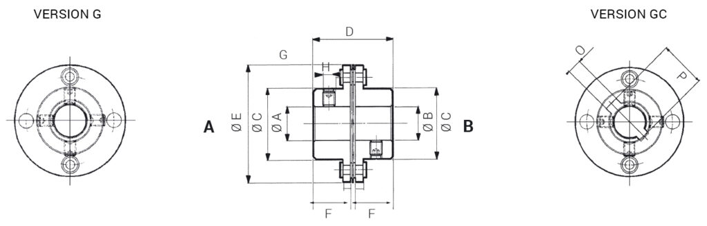
The direct connection of the two hubs ensures very small overall dimensions.
A key and screw version is also available.
They are used to connect tachogenerators, encoders, motors, gauges and for any other application where constant rotational movement in the four quadrants is required and where absolute torque rigidity is needed even when shaft coupling is not perfectly lined up.
FIN-COUPLINGS
GEL 2000 R-C












