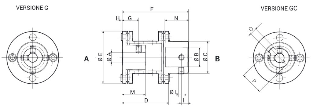
Il giunto GEL 5000-C è caratterizzato da doppi mozzi, uno interno ed uno esterno che consentono una grande accessibilità ai grani di fissaggio.
È prevista la versione con grani e chiavette.
Vengono utilizzati per l’accoppiamento di dinamo tachimetriche, encoder, motori, strumenti di misura e tutte quelle applicazioni dove sia indispensabile trasmettere un moto rotatorio omocinetico nei quattro quadranti e con assoluta rigidità torsionale anche quando l’accoppiamento degli alberi non si presenta perfettamente allineato.
GIUNTI LAMELLARI
GEL 5000-C












