L’accoppiamento diretto dei due mozzi consente di avere un ingombro estremamente ridotto. È prevista la versione con grani e chiavette. Vengono utilizzati per l’accoppiamento di dinamo tachimetriche, encoder, motori, strumenti di misura e tutte quelle applicazioni dove sia indispensabile trasmettere un moto rotatorio omocinetico nei quattro quadranti e con assoluta rigidità torsionale anche quando l’accoppiamento degli alberi non si presenta perfettamente allineato.
GIUNTI LAMELLARI
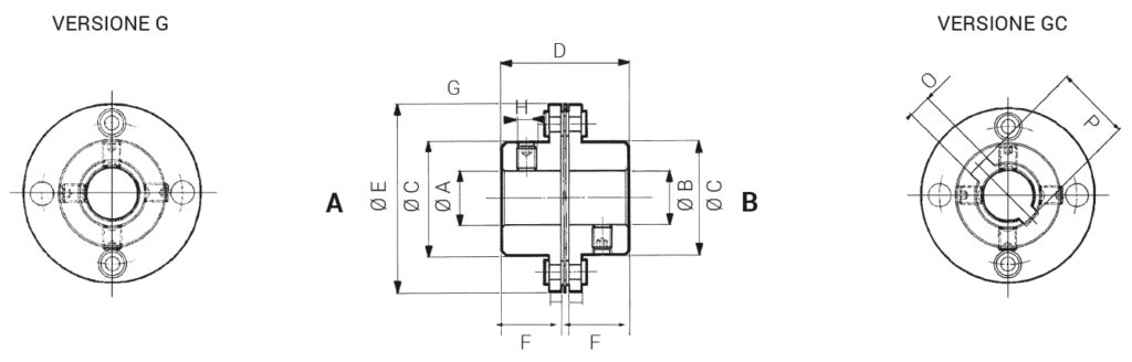
GEL 2000 R-C


|
C | D | E | F | G | H | GEL 2000 R-C | 3 - 6 - 7 - 8 - 9,52 - 10 - 11 - 14 | 23 | 25,7 | 38 | 11,7 | 5 | M4 |
| Ø fori H7 | O | p |
| 6 | 2 | 7 |
| 7 | 2 | 8 |
| 8 | 3 | 9 |
| 10 | 3 | 11,4 |
| 11 | 4 | 12,8 |
| 12 | 4 | 13,1 |
| 14 | 5 | 16,3 |
Coppia nominale | Coppia massima | Disallineamento assiale max. | Disallineamento radiale max. | Disallineamento angolare | Momento di inerzia | Velocità massima | Rigidità torsionale dinamica x10² | Peso | ||
| Simbolo | Tᴺ | Tₛ | ΔWᵃ | ΔWᵣ | ΔWʷ | J | n max | Cʷ ᵈʸᵐ | m | |
| Unità | Nm | Nm | mm. | mm. | rad | Kg m²x10⁻⁶ | min⁻¹ | Nm/rad | Kg | |
| GEL 2000 R-C | 1,53 | 2,20 | 0,4 | 0,35 | 0,02618 | 5,350 | 45.000 | 24,815 | 0,035 |










