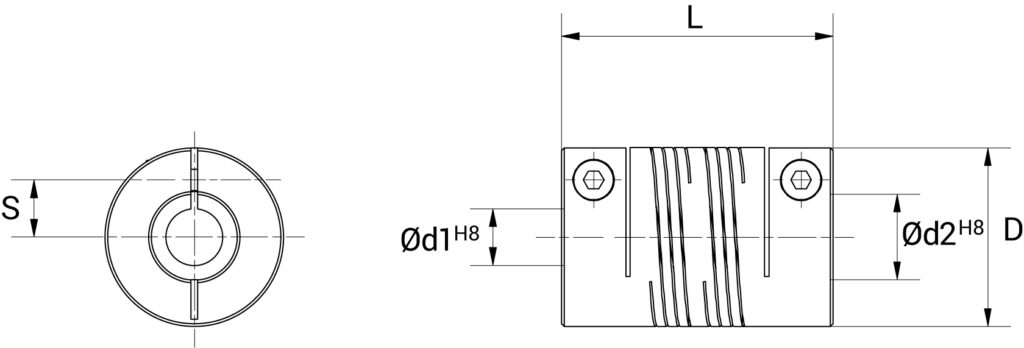
Giunto realizzato da un unico pezzo di materiale con spirale a due principi con sistema di fissaggio a morsetto.
Idoneo per trasmissioni di potenza in spazi di installazione ridotti.
Assenza di gioco, assenza di vibrazioni e manutenzioni.
Ottima capacità di correggere errori di disallineamento ed elevata rigidità torsionale.
Coppie elevate.
GIUNTI A ELICA CARICHI PESANTI
E6AV





