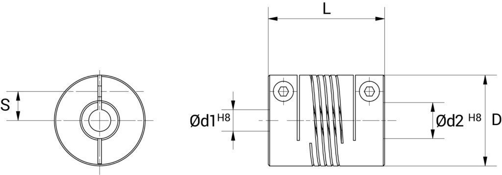
Giunto realizzato da un unico pezzo di materiale con sistema di fissaggio a morsetto.
Assenza di gioco, assenza di vibrazioni e manutenzioni.
Idoneo per trasmissioni di potenza in spazi di installazione ridotti.
Ottima capacità di correggere errori di disallineamento ed elevata rigidità torsionale.
GIUNTI A ELICA CARICHI PESANTI
E3AV





