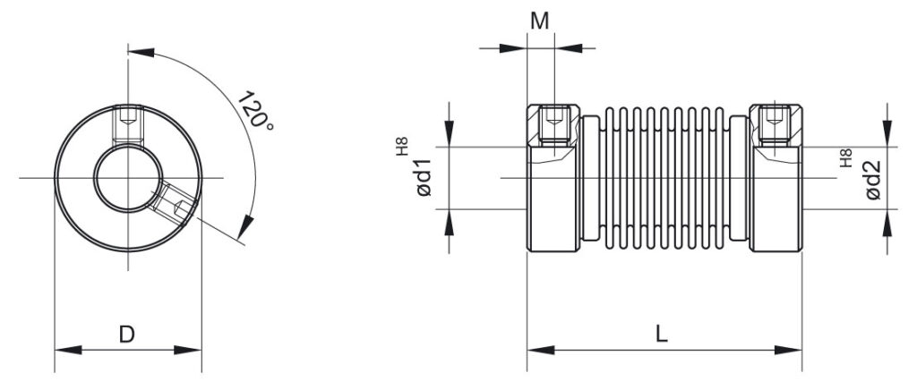
Giunto realizzato da due mozzi in alluminio anodizzato con soffietto speciale in acciaio inossidabile.
Ottima capacità di correggere errori di disallineamento, elevata rigidità torsionale.
Assenza di gioco ed assenza di vibrazioni.
Ottimo nei servoazionamenti.
Sistema di fissaggio a grani.
GIUNTI A SOFFIETTO
GSXG


Dati Tecnici | Velocità max. | Coppia max. | Disallineamento radiale max. | Disallineamento assiale max. | Disallineamento angolare max. | Rigidità torsionale | Rigidità radiale | Momento d'inerzia | Coppia di serraggio max. | Range temperatura d’utilizzo | Peso | Materiale mozzi | Materiale soffietto | |
| Unità | min⁻¹ | Ncm | mm. | mm. | gradi | Nm/rad | N/mm | gcm² | Ncm | °C | g | |||
| GSXG 1520 | 10000 | 40 | ± 0,2 | ± 0,4 | ± 3 | 90 | 40 | 2 | 70 | -40/+140 | 6 | Alluminio anodizzato | Acciaio inox | |
| GSXG 1522 | 10000 | 40 | ± 0,25 | ± 0,45 | ± 4 | 85 | 20 | 2,1 | 70 | -40/+140 | 6,5 | Alluminio anodizzato | Acciaio inox | |
| GSXG 1525 | 10000 | 40 | ± 0,3 | ± 0,5 | ± 4 | 70 | 15 | 2,3 | 70 | -40/+140 | 7 | Alluminio anodizzato | Acciaio inox | |
| GSXG 1924 | 10000 | 120 | ± 0,25 | ± 0,4 | ± 4 | 150 | 25 | 7 | 80 | -40/+140 | 10 | Alluminio anodizzato | Acciaio inox | |
| GSXG 1929 | 10000 | 100 | ± 0,3 | ± 0,5 | ± 4 | 140 | 10 | 9 | 80 | -40/+140 | 11 | Alluminio anodizzato | Acciaio inox | |
| GSXG 2029 | 10000 | 120 | ± 0,25 | ± 0,4 | ± 4 | 150 | 25 | 8 | 150 | -40/+140 | 15 | Alluminio anodizzato | Acciaio inox | |
| GSXG 2035 | 10000 | 100 | ± 0,3 | ± 0,5 | ± 4 | 140 | 10 | 9 | 150 | -40/+140 | 16 | Alluminio anodizzato | Acciaio inox | |
| GSXG 2526 | 10000 | 200 | ± 0,3 | ± 0,4 | ± 4 | 220 | 45 | 19 | 150 | -40/+140 | 17,5 | Alluminio anodizzato | Acciaio inox | |
| GSXG 2531 | 10000 | 200 | ± 0,35 | ± 0,45 | ± 4 | 183 | 17,8 | 20 | 150 | -40/+140 | 18 | Alluminio anodizzato | Acciaio inox |
| Grandezza | Diametro esterno | Lunghezza | Posizione grano | Filetto grano | Combinazioni fori standard d1 H8 / d2 H8 |
| Ø | mm. | mm. | mm. | ||
| GSXG 1520 | 15 | 20 | 2 | M 3x4 | 2/2 - 2/3 - 2/4 - 2/5 - 2/6 - 2/8 - 3/3 - 3/4 - 3/5 - 3/6 - 3/8 - 4/4 - 4/5 - 4/6 - 4/8 - 5/5 - 5/6 - 5/8 - 6/6 - 6/8 - 8/8 |
| GSXG 1522 | 15 | 22 | 2 | M 3x4 | 2/2 - 2/3 - 2/4 - 2/5 - 2/6 - 2/8 - 3/3 - 3/4 - 3/5 - 3/6 - 3/8 - 4/4 - 4/5 - 4/6 - 4/8 - 5/5 - 5/6 - 5/8 - 6/6 - 6/8 - 8/8 |
| GSXG 1525 | 15 | 25 | 2 | M 3x4 | 2/2 - 2/3 - 2/4 - 2/5 - 2/6 - 2/8 - 3/3 - 3/4 - 3/5 - 3/6 - 3/8 - 4/4 - 4/5 - 4/6 - 4/8 - 5/5 - 5/6 - 5/8 - 6/6 - 6/8 - 8/8 |
| GSXG 1924 | 19 | 24 | 2 | M 3x4 | 3/3 - 3/4 - 3/5 - 3/6 - 3/6,35 - 3/8 - 3/10 - 4/4 - 4/5 - 4/6 - 4/6,35 - 4/8 - 4/10 - 5/5 - 5/6 - 5/6,35 - 5/8 - 5/10 - 6/6 - 6/6,35 - 6/8 - 6/10 - 6,35/6,35 - 6,35/8 - 6,35/10 - 8/8 - 8/10 - 10/10 |
| GSXG 1929 | 19 | 29 | 2 | M 3x4 | 3/3 - 3/4 - 3/5 - 3/6 - 3/6,35 - 3/8 - 3/10 - 4/4 - 4/5 - 4/6 - 4/6,35 - 4/8 - 4/10 - 5/5 - 5/6 - 5/6,35 - 5/8 - 5/10 - 6/6 - 6/6,35 - 6/8 - 6/10 - 6,35/6,35 - 6,35/8 - 6,35/10 - 8/8 - 8/10 - 10/10 |
| GSXG 2029 | 20 | 29 | 3,2 | M 4x4 | 4/4 - 4/5 - 4/6 - 4/6,35 - 4/8 - 4/9,52 - 4/10 - 4/12 - 5/5 - 5/6 - 5/6,35 - 5/8 - 5/9,52 - 5/10 - 5/12 - 6/6 - 6/6,35 - 6/8 - 6 /9,52 - 6/10 - 6/12 - 6,35/6,35 - 6,35/8 - 6,35/9,52 - 6,35/10 - 6,35/12 - 8/8 - 8/9,52 - 8/10 - 8/12 - 9,52/9,52 - 9,52/10 - 9,52/12 - 10/10 - 10/12 - 12/12 |
| GSXG 2035 | 20 | 35 | 3,2 | M 4x6 | 4/4 - 4/5 - 4/6 - 4/6,35 - 4/8 - 4/9,52 - 4/10 - 4/12 - 5/5 - 5/6 - 5/6,35 - 5/8 - 5/9,52 - 5/10 - 5/12 - 6/6 - 6/6,35 - 6/8 - 6 /9,52 - 6/10 - 6/12 - 6,35/6,35 - 6,35/8 - 6,35/9,52 - 6,35/10 - 6,35/12 - 8/8 - 8/9,52 - 8/10 - 8/12 - 9,52/9,52 - 9,52/10 - 9,52/12 - 10/10 - 10/12 - 12/12 |
| GSXG 2526 | 25 | 26 | 2,8 | M 4x6 | 6/6 - 6/8 - 6/10 - 6/12 - 6/14 - 6/16 - 8/8 - 8/10 - 8/12 - 8/14 - 8/16 - 10/10 - 10/12 - 10/14 - 10/16 - 12/12 - 12/14 - 12/16 - 14/14 - 14/16 - 16/16 |
| GSXG 2531 | 25 | 31 | 2,8 | M 4x6 | 6/6 - 6/8 - 6/10 - 6/12 - 6/14 - 6/16 - 8/8 - 8/10 - 8/12 - 8/14 - 8/16 - 10/10 - 10/12 - 10/14 - 10/16 - 12/12 - 12/14 - 12/16 - 14/14 - 14/16 - 16/16 |


