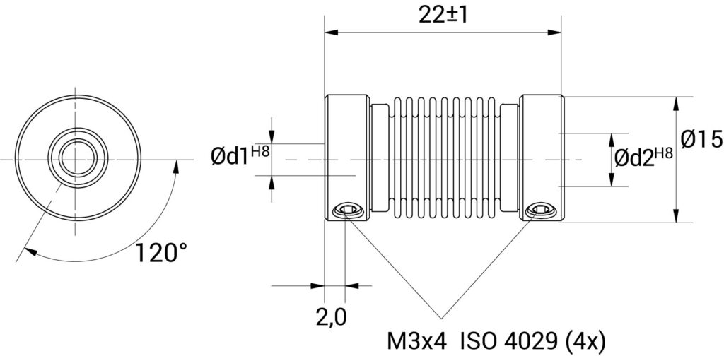
Giunto realizzato da due mozzi in alluminio anodizzato con soffietto speciale in acciaio inossidabile rinforzato “R” che consente una coppia maggiore, una maggiore rigidità torsionale e radiale.
Ottima capacità di correggere errori di disallineamento.
Assenza di gioco ed assenza di vibrazioni.
Ottimo nei servoazionamenti.
Sistema di fissaggio a grani.
GIUNTI A SOFFIETTO
GSXGR
Rinforzato




