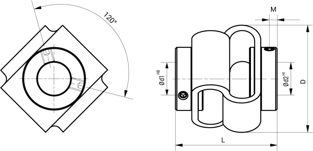
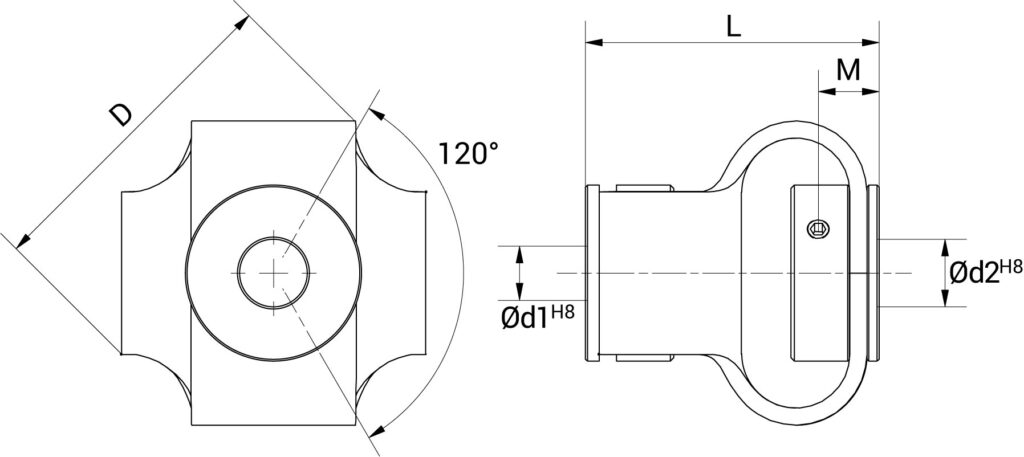
Giunto eccellente nella correzione degli errori di disallineamento radiale, assiale ed angolare.
Termicamente ed elettricamente isolante.
Non necessita di manutenzione.
È disponibile anche la versione grani e chiavetta a partire dal foro 6 mm.
GIUNTI IN POLIURETANO
GGPG





