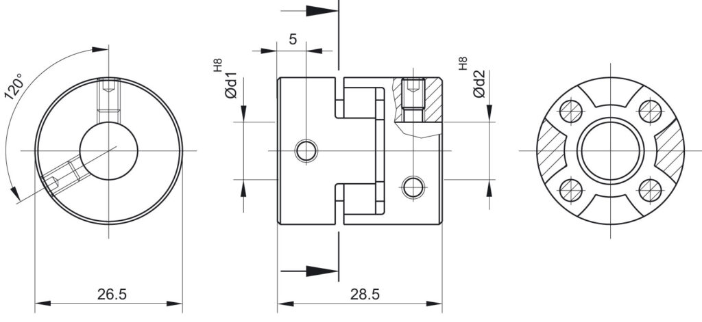
Giunto realizzato da due mozzi in alluminio ed un elemento centrale in gomma in grado di attenuare le vibrazioni ed i vari tipi di disallineamenti.
Consente un’elevata trasmissione della coppia nonostante le dimensioni ridotte.
Sistema di fissaggio a grani.
L’elemento centrale in gomma può essere ordinato in diverse durezze Shore in base all’applicazione. Le stelle disponibili sono BLU 80 Shore, BIANCO 92 Shore, ROSSO 98 Shore.
GIUNTI A STELLA
GTAG




