GIUNTI A STELLA

GTXV

AISI 303

Giunto realizzato da due mozzi in acciaio inox AISI 303 ed un elemento centrale in gomma in grado di attenuare le vibrazioni ed i vari tipi di disallineamenti.
Consente un’elevata trasmissione della coppia nonostante le dimensioni ridotte.
Sistema di fissaggio a vite.
L’elemento centrale in gomma può essere ordinato in diverse durezze Shore in base all’applicazione. Le stelle disponibili sono BLU  80 Shore, BIANCO  92 Shore, ROSSO 98 Shore.

1PJE1eDazE2DcH0y34Iai5vcc1ShfhxzJ gdf 17523219231Ql0aaDoYpUyymaySZEUOkmYXaiIEr45n gdf 1752320276
1x0VG7N qm2vjKJq4EkJRImedsUOavGyP gdf 1752321970
Dati Tecnici
Durezza della Stella
Coppia max.
Velocità max.
Disallineamento radiale max.
Disallineamento assiale max.
Disallineamento angolare max.
Angolo di torsione Tkmax
Momento di inerzia
Coppia di serraggio max.
Range temperatura d’utilizzo
Peso
Materiale mozzi
Materiale corpo centrale
PDF
UnitàshoreNmmin⁻¹mm.mm.gradgradgcm²Ncm°Cg
GTXV 150080 blu | 92 bianco | 98 rosso8 | 15 | 2519.000± 0,22± 1± 1,31030120-30 + 8088Acciaio inox AISI 303poliuretanoPDF
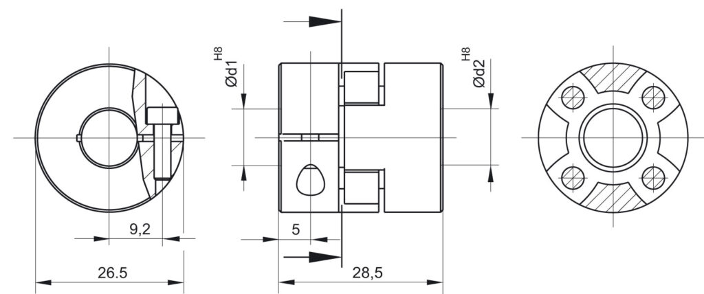
GrandezzaDiametro esternoLunghezzaFiletto vitePosizione viteQuota SCombinazioni fori standard d1 H8 / d2 H8
Ømm.mm.
GTXV 150026,528,5M 3x109,256/6 - 6/8 - 6/10 - 6/12 - 8/8 - 8/10 - 8/12 - 10/10 - 10/12 - 12/12

Potrebbero interessarti anche:

NON HAI TROVATO Ciò CHE CERCAVI?

Contattaci

Perché sceglierci

Group
Personalizzazione
Transport icon
Tempi di consegna rapidi
Quality award icon
Qualità certificata
Questo sito è registrato su wpml.org come sito di sviluppo. Passa a un sito di produzione con la chiave remove this banner.