Giunto molto economico realizzato con la tecnica della pressofusione. L’inserimento delle parti metalliche nei mozzi permette un collegamento ottimale degli alberi. Sono termicamente ed elettricamente isolanti. Possono lavorare a temperature comprese tra -10 °C +80 °C.
GIUNTI A MEMBRANA
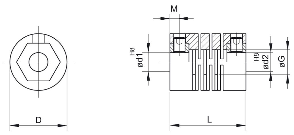
GMPG


Dati Tecnici | Velocità max. | Coppia max. | Disallineamento radiale max. | Disallineamento assiale max. | Disallineamento angolare max. | Rigidità torsionale | Rigidità radiale | Momento d'inerzia | Coppia di serraggio max. | Range temperatura d’utilizzo | Peso | Materiale mozzi | Materiale corpo | |
| Unità | min⁻¹ | Ncm | mm. | mm. | gradi | Nm/rad | N/mm | gcm² | Ncm | °C | g | |||
| GMPG 1520 | 12000 | 30 | ± 0,3 | ± 0,2 | ± 2,5 | 12 | 45 | 2 | 70 | -10/+80 | 6 | ottone | Poliammide 6.6 - Fibra di vetro rinforzata | |
| GMPG 2224 | 10000 | 80 | ± 0,3 | ± 0,3 | ± 3 | 38 | 115 | 7 | 120 | -10/+80 | 10 | Alluminio | Poliammide 6.6 - Fibra di vetro rinforzata |
| Grandezza | Diametro esterno | Lunghezza | Posizione grano | Filetto grano | Combinazioni fori standard d1 H8/ d2 H8 |
| Ø | mm. | mm. | mm. | ||
| GMPG 1520 | 15 | 20 | 2,5 | M 3x4 | 2/2 - 2/3 - 2/4 - 2/5 - 2/6 - 3/3 - 3/4 - 3/5 - 3/6 - 4/4 - 4/5 - 4/6 - 5/5 - 5/6 - 6/6 |
| GMPG 2224 | 22 | 24 | 3,25 | M 4x6 | 4/4 - 4/5 - 4/6 - 4/8 - 4/10 - 5/5 - 5/6 - 5/8 - 5/10 - 6/6 - 6/8 - 6/10 - 8/8 - 8/10 - 10/10 |
