GIUNTI UNIMATIC

UM

I giunti della serie UNIMATIC dalla grandezza UM 6 fino alla UM 12 sono realizzati in acciaio forgiato. Dalla grandezza UM 13 alla UM 15 i mozzi sono ricavati da fusioni in ghisa sferoidale. I due mozzi sono ancorati al pacco lamellare realizzato in acciaio armonico con viteria ad alta resistenza. Il pacco lamellare, formato da una serie di lamelle a settori, consente una perfetta rigidità torsionale ed una elevata elasticità.
Non avendo parti mobili, non è soggetto a lubrificazione e ha una elevata resistenza all’usura. Essendo realizzato totalmente in metallo è altamente resistente agli agenti atmosferici, agli acidi e a molte sostanze corrosive.

Dinal UM UMM DSC05021
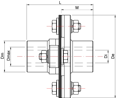
UM dis.tecnico
Modello giunto
Coppia
Velocità
Peso
De
L
Dm
Di
Dmax
M
Nm
g/min
Kg
mm
mm
mm
mm
mm
mm
UM 6
18
3000
0,8
90
68
38
10
22
33
UM 7
52
3000
1,4
110
87
45
15
30
42
UM 8
78
2500
2,5
135
103
55
15
35
50
UM 9
175
2500
4,2
160
127
65
15
40
61
UM 10
388
2000
7,2
180
148
78
20
50
71
UM 11
775
1750
14
225
192
98
20
65
92
UM 12
1510
1500
22
270
216
117
20
75
102
UM 13
2285
1200
43
295
250
145
40
90
118
UM 14
3727
1000
48
350
270
160
40
100
129
UM 15
5100
1000
60
395
316
180
40
120
149

Potrebbero interessarti anche:

NON HAI TROVATO Ciò CHE CERCAVI?

Contattaci

Perché sceglierci

Group
Personalizzazione
Transport icon
Tempi di consegna rapidi
Quality award icon
Qualità certificata
Questo sito è registrato su wpml.org come sito di sviluppo. Passa a un sito di produzione con la chiave remove this banner.