Le nostre ruote in alluminio sono disponibili con diverse superfici; ciò consente il loro utilizzo in un’ampia varietà di applicazioni. Grazie all’eccellente concentricità è possibile ottenere la massima precisione di misurazione anche ad alte velocità.
RUOTE METRICHE
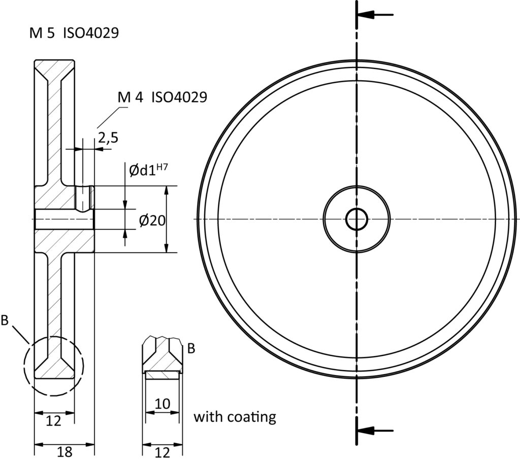
RM 305


Dati Tecnici | Materiale corpo centrale | Materiale superficie | Struttura della superficie | Profilo | Circonferenza | Momento d’inerzia | Peso | Campi d’applicazione | |
| Unità | mm. | gcm² | gr. | ||||||
| RMAR 305 | Alluminio | Alluminio | Zigrinato | 305±0,5 | 1,50x10³ | 115 | Cartone, legno, tessuto, gomma, plastica morbida | ||
| RMAP 305 | Alluminio | Poliuretano | Liscio | 300±0,5 | 1,41x10³ | 115 | Profili in acciaio, superfici verniciate, plastica, carta/cartone, legno, tessuti, filo metallico, pelle | ||
| RMAN 305 | Alluminio | Poliuretano | Pallinato | 300±0,5 | 1,19x10³ | 115 | Tessuti grezzi, misura cavi, carta cartone, legno, plastica | ||
| RMAG 305 | Alluminio | Poliuretano | Corrugato | 300±0,5 | 1,41x10³ | 115 | Superfici verniciate, plastica, carta/cartone, legno, tessuti, vetro |
| Grandezza | Ø D | d1 H8 / d2 H8 |
| RMAR305 | 305±0,5 | 4 | 6 | 8 | 9,52 | 10 |
| RMAP305 | 300±0,5 | 4 | 6 | 8 | 9,52 | 10 |
| RMAN305 | 300±0,5 | 4 | 6 | 8 | 9,52 | 10 |
| RMAG305 | 300±0,5 | 4 | 6 | 8 | 9,52 | 10 |
