Ruota metrica con superficie zigrinata.
RUOTE METRICHE
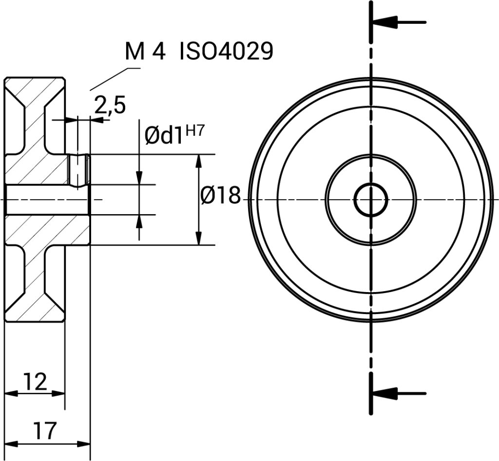
RM 152


Dati Tecnici | Materiale corpo centrale | Materiale superficie | Struttura della superficie | Profilo | Circonferenza | Momento d’inerzia | Peso | Campo d’applicazione | |
| Unità | mm. | gcm² | gr. | ||||||
| RM 152 | Alluminio | Alluminio | Zigrinata a tratteggio incrociato | 152,4±0,2 | 0,11x10³ | 60 | Cartone, legno, tessile, plastica |
| Grandezza | Ø D | Fori standard |
| RM 152 | 152,4±0,2 | 4 | 6 | 6,35 |
