GIUNTI A SOFFIETTO IN NICHEL

GSNG – GSNV

Giunto realizzato con soffietto speciale in nichel.
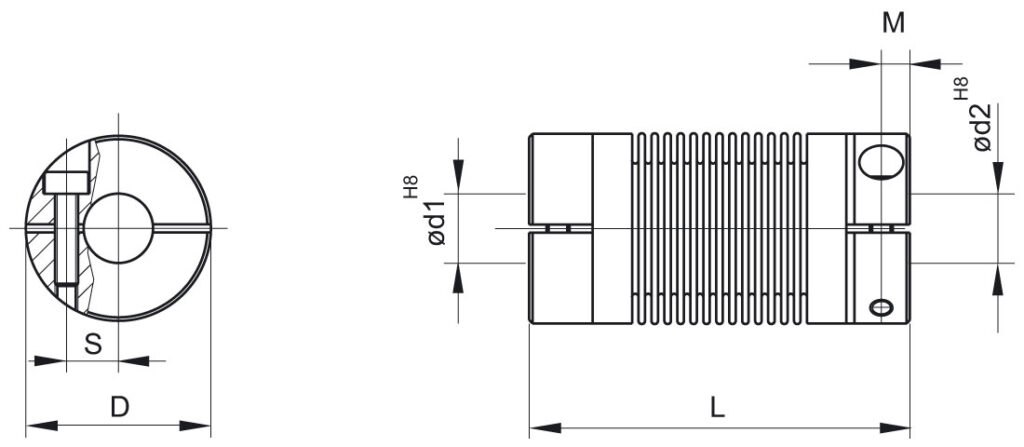
Versione con fissaggio a grani.
Caratterizzato da una rigidità torsionale eccezionalmente elevata.
Compensa in modo ottimale gli errori di disallineamento, grazie anche all’estrema flessibilità del soffietto.
Ottimo nei sistemi di misura ad alta precisione e in applicazioni altrettanto sensibili.

1fRGpCUuyDjg8QnrOKbMTTP1ODZo3W dG gdf 17523214391Ql0aaDoYpUyymaySZEUOkmYXaiIEr45n gdf 1752320276
1VzTrgXuhv0qyDwDGWqC eXaRp Uqdp2s gdf 1752321445
1PFmKr8bVwDoMunzyAlEyz4P UvhmU7WO gdf 1753428743
Dati Tecnici
Velocità max.
Coppia max.
Disallineamento radiale max.
Disallineamento assiale max.
Disallineamento angolare max.
Rigidità torsionale
Rigidità radiale
Momento d'inerzia
Coppia di serraggio max.
Range temperatura d’utilizzo
Peso
Materiale mozzi
Materiale soffietto
PDF
Unitàmin⁻¹Ncmmm.mm.gradiNm/radN/mmgcm²Ncm°Cg
GSNG 12231000013± 0,54± 2,29± 15284,21,8579-30/+12010Acciaio inox NichelPDF
GSNG 17301000039± 0,72± 3,09± 148033,81132-30/+12010Alluminio anodizzatoNichelPDF
GSNG 253310000328± 0,46± 2,77± 846238,11,61132-30/+12019,5Alluminio anodizzatoNichel PDF
GSNV 17331000039± 0,72± 3,09± 14805,84,8935-30/+12011,5Alluminio anodizzatoNichelPDF
GSNV 253710000328± 0,46± 2,77± 846238,12,5466-30/+12028,5Alluminio anodizzatoNichel PDF
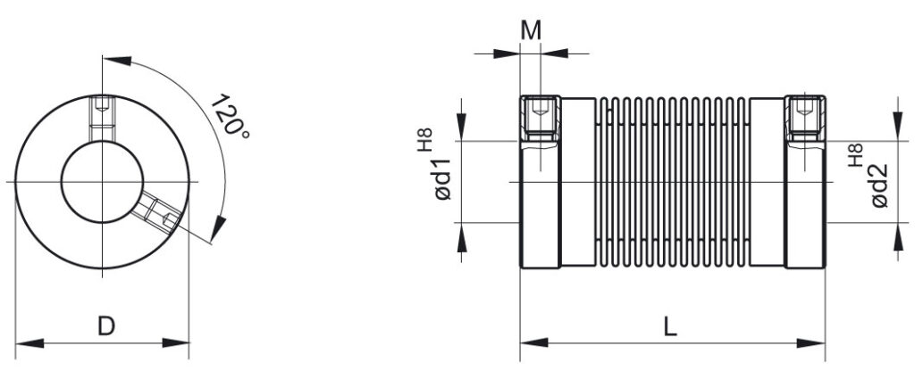
GrandezzaDiametro esternoLunghezza Posizione vite Posizione grano Filetto viteFiletto grano Quota SCombinazioni fori standard d1 H8 / d2 H8
Ømm.mm.mm.
GSNG 122312232M2,5x42/2 - 2/3 - 2/4 - 2/5 - 2/6 - 3/3 - 3/4 - 3/5 - 3/6 - 4/4 - 4/5 - 4/6 - 5/5 - 5/6 - 6/6
GSNG 173017312M 3x44/4 - 4/5 - 4/6 - 4/6,35 - 4/8 - 4/10 - 5/5 - 5/6 - 5/6,35 - 5/8 - 5/10 - 6/6 - 6/6,35 - 6/8 - 6/10 - 6,35/6,35 - 6,35/8 - 6,35/10 - 8/8 - 8/10 - 10/10
GSNG 253325332,3M 3x46/6 - 6/8 - 6/10 - 6/12 - 8/8 - 8/10 - 8/12 - 10/10 - 10/12 - 12/12
GSNV 173316,3332,5M 2x653/3 - 3/4 - 3/5 - 3/6 - 4/4 - 4/5 - 4/6 - 5/5 - 5/6 - 6/6
GSNV 253725372,5M 2,5x896/6 - 6/8 - 6/10 - 6/12 - 8/8 - 8/10 - 8/12 - 10/10 - 10/12 - 12/12

NON HAI TROVATO Ciò CHE CERCAVI?

Contattaci

Perché sceglierci

Group
Personalizzazione
Transport icon
Tempi di consegna rapidi
Quality award icon
Qualità certificata
Questo sito è registrato su wpml.org come sito di sviluppo. Passa a un sito di produzione con la chiave remove this banner.