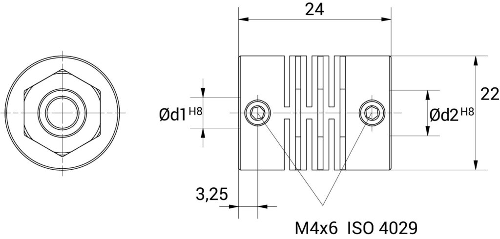
Giunto realizzato in un unico pezzo in plastica rinforzata con fibra di vetro e inserti in acciaio inossidabile 316L garantisce un’elevata resistenza alla corrosione ed inoltre è elettricamente isolante e termo-isolante.
GIUNTI IN ACCIAIO INOX 316L
GMYG
AISI 316L







