The outer double hubs make it possible to connect large shafts and easy to reach the fastening screws. A key and screw version is also available. They are used to connect tachogenerators, encoders, motors, gauges and for any other application where constant rotational movement in the four quadrants is required and where absolute torque rigidity is needed even when shaft coupling is not perfectly lined up.
FIN-COUPLINGS
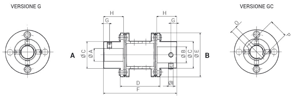
GEL 3000-C


|
C | D | E | F | G | H | I | GEL 3000-C | 3 - 5 - 6 - 7 - 8 - 9,52 - 10 - 11 - 14 | 23 | 33,6 | 38 | 62,6 | 5 | 17 | M4 |
| Ø fori H7 | O | p |
| 6 | 2 | 7 |
| 7 | 2 | 8 |
| 8 | 3 | 9 |
| 10 | 3 | 11,4 |
| 11 | 4 | 12,8 |
| 12 | 4 | 13,1 |
| 14 | 5 | 16,3 |
Nominal torque | Maximum torque | Axial misalignment max | Radial misalignment max | Angular misalignment | Moment of inertia | Maximum speed | Dynamic torsional stiffness x10² | Weight | ||
| Simbolo | Tᴺ | Tₛ | ΔWᵃ | ΔWᵣ | ΔWʷ | J | n max | Cʷ ᵈʸᵐ | m | |
| Unità | Nm | Nm | mm. | mm. | rad | Kg m²x10⁻⁶ | min⁻¹ | Nm/rad | Kg | |
| GEL 3000-C | 1,53 | 2,20 | 0,8 | 0,7 | 0,02618 | 9,549 | 45.000 | 24,815 | 0,058 |










